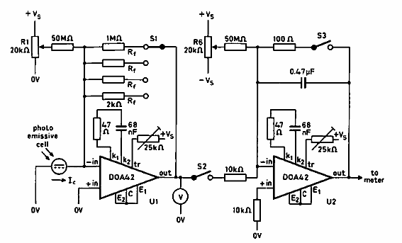
Este circuito se encontró en una documentación de Philips de 1970. Los componentes son de la época, difíciles de encontrar hoy en día, pero la configuración se puede adaptar para utilizar componentes equivalentes modernos.

Medidor de intensidad de luz



