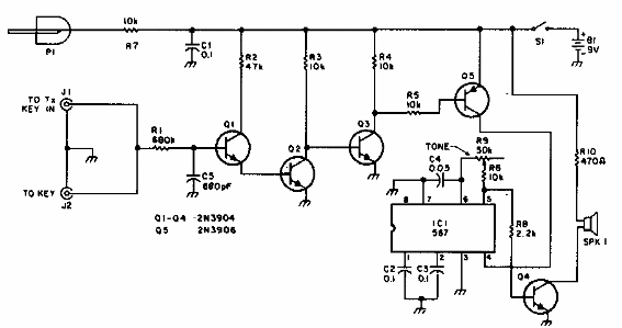
Encontrado en una revista 73 para radioaficionados, este circuito hace uso de transistores de propósito general y el circuito integrado todavía se puede encontrar fácilmente.

Oscilador de práctica de código
Encontrado en una revista 73 para radioaficionados, este circuito hace uso de transistores de propósito general y el circuito integrado todavía se puede encontrar fácilmente.
