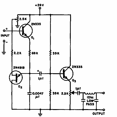
Encontrado en una Electronic Design de 1968, este circuito genera una señal de diente de sierra lineal modulada por una señal de entrada. Los transistores son de la época.

Modulador lineal de baja frecuencia
Encontrado en una Electronic Design de 1968, este circuito genera una señal de diente de sierra lineal modulada por una señal de entrada. Los transistores son de la época.
