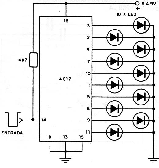
Los LEDs encienden según la sucesión de impulsos aplicados en la entrada en el pin 14. La alimentación puede efectuarse con tensiones entre 6 y 9V. La conmutación ocurre cuando la entrada se lleva momentâneamente al potencial 0 (nível LO).

Los LEDs encienden según la sucesión de impulsos aplicados en la entrada en el pin 14. La alimentación puede efectuarse con tensiones entre 6 y 9V. La conmutación ocurre cuando la entrada se lleva momentâneamente al potencial 0 (nível LO).
