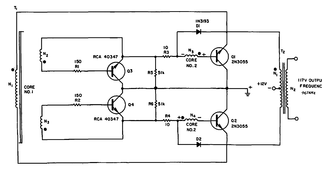
Este circuito con salida de 117 V se encontró en una Electronic Design de 1969. Los transistores de accionamiento admiten equivalentes y no se proporciona información sobre los transformadores.

 

Inversor económico
Inversor económico | Haga click en la imagen para ampliar |