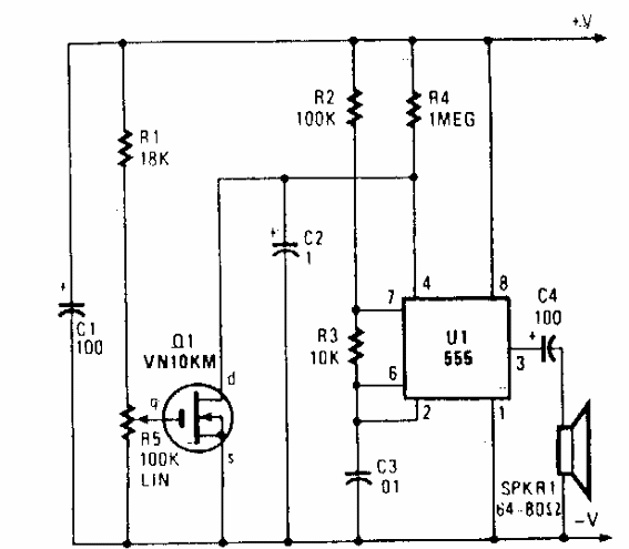
Encontramos este circuito en una Popular Electronics de los años 90. El circuito activa un oscilador cuando el voltaje excede el valor establecido en R5.

Monitor de tensión de batería
Encontramos este circuito en una Popular Electronics de los años 90. El circuito activa un oscilador cuando el voltaje excede el valor establecido en R5.
