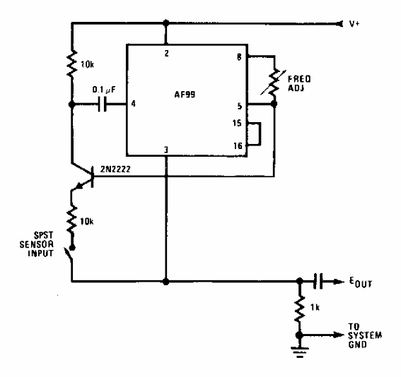
Encontrado en documentación de National Semiconductor de la década de 1990, este circuito produce un tono que se envía mediante un comando de dos cables a un control remoto.

Codificador de tono
Encontrado en documentación de National Semiconductor de la década de 1990, este circuito produce un tono que se envía mediante un comando de dos cables a un control remoto.
