Sugerido por Intersil en la documentación de los años 90, este circuito es válido para operacionales equivalentes modernos, incluidos los que funcionan con bajas tensiones.

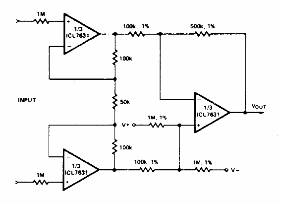
Preamplificador de instrumentación médica
Sugerido por Intersil en la documentación de los años 90, este circuito es válido para operacionales equivalentes modernos, incluidos los que funcionan con bajas tensiones.
