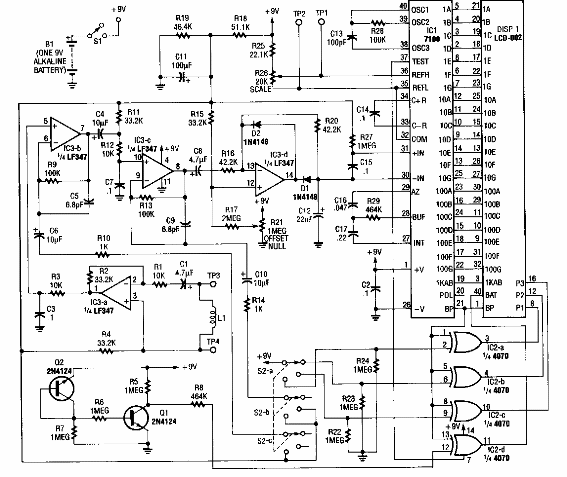
Este circuito sofisticado con display de cristal líquido se encontró en Radio Electronics de los años 90. El circuito utiliza componentes integrados comunes en ese momento, pero la idea permite que el circuito se adapte para trabajar con microcontroladores.

Medidor de campo magnético



