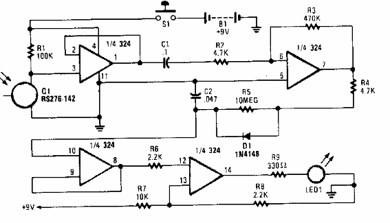
Encontrado en una Popular Electronics de los años 90, este circuito detecta la radiación infrarroja modulada y sirve como prueba para controles remotos. Se pueden utilizar sensores infrarrojos equivalentes al indicado.

Detector infrarrojo
Encontrado en una Popular Electronics de los años 90, este circuito detecta la radiación infrarroja modulada y sirve como prueba para controles remotos. Se pueden utilizar sensores infrarrojos equivalentes al indicado.
