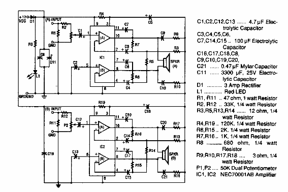
Encontrado en una publicación estadounidense de la década de 1980, este circuito se puede encontrar en equipos de sonido comerciales de la época. La lista con los valores de los componentes se proporciona al lado del diagrama.

Amplificador NEC de 20 W por canal



