Encontrado en documentación estadounidense de 1969, este circuito cambia las señales con un FET de la época. El circuito se puede implementar con transistores equivalentes modernos.

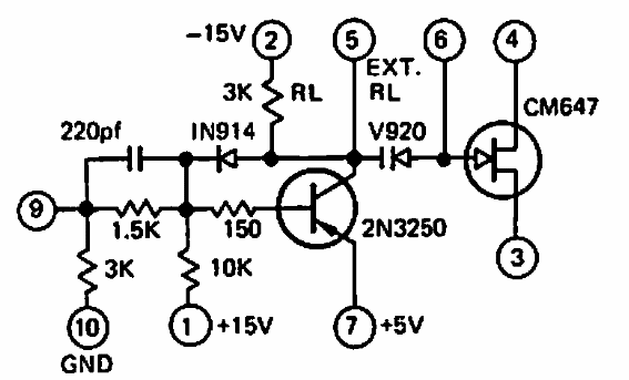
Interruptor FET de alta velocidad
Encontrado en documentación estadounidense de 1969, este circuito cambia las señales con un FET de la época. El circuito se puede implementar con transistores equivalentes modernos.

Este transmisor de tono modulado se ha encontrado en documentación reciente en inglés. El circuito...
Este circuito se encontró en una Popular Electronics de los años 90. La lámpara emisora que tiene...
Este controlador de línea para frecuencias de hasta 6 MHz se obtuvo en el propio datasheet del...
| Joomla! Version | 5.3.2 |
| PHP Version | 8.3.24 |
| Identity | guest |
| Response | 200 |
| Template | cassiopeia |
| Database |
|
| 1 x After Access::preloadPermissions (com_content) (16.25MB) (50.14%) | 20.86ms |
| 1 x afterRenderComponent com_content (309.38KB) (16.67%) | 6.94ms |
| 1 x afterRender (251.42KB) (7.88%) | 3.28ms |
| 1 x afterInitialise (1.13MB) (7.1%) | 2.96ms |
| 1 x beforeRenderRawModule mod_articles_category (Banco de Circuitos) (359.36KB) (4.16%) | 1.73ms |
| 1 x afterRenderRawModule mod_finder (Busca_inteligente) (54.63KB) (2.48%) | 1.03ms |
| 1 x Before Access::getAssetRules (id:16448 name:com_content.article.20392) (514.65KB) (2.26%) | 940μs |
| 1 x afterRoute (90.63KB) (2.06%) | 857μs |
| 1 x After Access::preloadComponents (all components) (113.49KB) (1.45%) | 602μs |
| 1 x beforeRenderModule mod_articles_category (Banco de Circuitos) (9.98KB) (1.4%) | 583μs |
| 1 x beforeRenderComponent com_content (100.52KB) (1.1%) | 459μs |
| 1 x afterRenderRawModule mod_articles_category (Banco de Circuitos) (79.5KB) (0.83%) | 345μs |
| 1 x Before Access::preloadComponents (all components) (33.13KB) (0.47%) | 195μs |
| 1 x beforeRenderModule mod_finder (Busca_inteligente) (6.39KB) (0.45%) | 187μs |
| 1 x afterLoad (83.57KB) (0.41%) | 169μs |
| 1 x beforeRenderRawModule mod_finder (Busca_inteligente) (5.9KB) (0.22%) | 92μs |
| 1 x After Access::getAssetRules (id:16448 name:com_content.article.20392) (7.38KB) (0.19%) | 80μs |
| 1 x afterRenderModule mod_articles_category (Banco de Circuitos) (5.47KB) (0.18%) | 73μs |
| 1 x afterDispatch (2.25KB) (0.14%) | 57μs |
| 1 x afterRenderModule mod_finder (Busca_inteligente) (4.44KB) (0.12%) | 50μs |
| 1 x Before Access::preloadPermissions (com_content) (1.57KB) (0.02%) | 9μs |
SELECT @@SESSION.sql_mode;28μs968B/libraries/src/Session/MetadataManager.php:184CopySELECT `session_id`
FROM `incbmx_session`
WHERE `session_id` = :session_id LIMIT 159μs1.3KBParams/libraries/src/Session/MetadataManager.php:187CopyINSERT INTO `incbmx_session`
(`session_id`,`guest`,`time`,`userid`,`username`,`client_id`) VALUES
(:session_id, :guest, :time, :user_id, :username, :client_id)144μs944BParams/libraries/src/Session/MetadataManager.php:260CopySELECT `id`,`rules`
FROM `incbmx_viewlevels`45μs656B/libraries/src/Access/Access.php:955CopySELECT `b`.`id`
FROM `incbmx_usergroups` AS `a`
LEFT JOIN `incbmx_usergroups` AS `b` ON `b`.`lft` <= `a`.`lft` AND `b`.`rgt` >= `a`.`rgt`
WHERE `a`.`id` = :guest63μs1.64KBParams/libraries/src/Access/Access.php:868CopySELECT `c`.`id`,`c`.`asset_id`,`c`.`access`,`c`.`alias`,`c`.`checked_out`,`c`.`checked_out_time`,`c`.`created_time`,`c`.`created_user_id`,`c`.`description`,`c`.`extension`,`c`.`hits`,`c`.`language`,`c`.`level`,`c`.`lft`,`c`.`metadata`,`c`.`metadesc`,`c`.`metakey`,`c`.`modified_time`,`c`.`note`,`c`.`params`,`c`.`parent_id`,`c`.`path`,`c`.`published`,`c`.`rgt`,`c`.`title`,`c`.`modified_user_id`,`c`.`version`, CASE WHEN CHAR_LENGTH(`c`.`alias`) != 0 THEN CONCAT_WS(':', `c`.`id`, `c`.`alias`) ELSE `c`.`id` END as `slug`
FROM `incbmx_categories` AS `s`
INNER JOIN `incbmx_categories` AS `c` ON (`s`.`lft` <= `c`.`lft` AND `c`.`lft` < `s`.`rgt`) OR (`c`.`lft` < `s`.`lft` AND `s`.`rgt` < `c`.`rgt`)
WHERE (`c`.`extension` = :extension OR `c`.`extension` = 'system') AND `c`.`published` = 1 AND `s`.`id` = :id
ORDER BY `c`.`lft`195μs3.86KBParams/libraries/src/Categories/Categories.php:375CopySELECT `alias`
FROM `incbmx_content`
WHERE `id` = :id56μs1.31KBParams/components/com_content/src/Service/Router.php:289CopySELECT `id`,`name`,`rules`,`parent_id`
FROM `incbmx_assets`
WHERE `name` IN (:preparedArray1,:preparedArray2,:preparedArray3,:preparedArray4,:preparedArray5,:preparedArray6,:preparedArray7,:preparedArray8,:preparedArray9,:preparedArray10,:preparedArray11,:preparedArray12,:preparedArray13,:preparedArray14,:preparedArray15,:preparedArray16,:preparedArray17,:preparedArray18,:preparedArray19,:preparedArray20,:preparedArray21,:preparedArray22,:preparedArray23,:preparedArray24,:preparedArray25,:preparedArray26,:preparedArray27,:preparedArray28,:preparedArray29,:preparedArray30,:preparedArray31,:preparedArray32,:preparedArray33,:preparedArray34,:preparedArray35,:preparedArray36,:preparedArray37,:preparedArray38,:preparedArray39)458μs7.44KBParams/libraries/src/Access/Access.php:357CopySELECT `id`,`name`,`rules`,`parent_id`
FROM `incbmx_assets`
WHERE `name` LIKE :asset OR `name` = :extension OR `parent_id` = 07.75ms1.48MBParams/libraries/src/Access/Access.php:301CopySHOW FULL COLUMNS FROM `incbmx_content`454μs1.77KB/libraries/vendor/joomla/database/src/Mysqli/MysqliDriver.php:539CopyUPDATE `incbmx_content`
SET `hits` = (`hits` + 1)
WHERE `id` = '20392'262μs48B/libraries/src/Table/Table.php:1348CopySELECT `a`.`id`,`a`.`asset_id`,`a`.`title`,`a`.`alias`,`a`.`introtext`,`a`.`fulltext`,`a`.`state`,`a`.`catid`,`a`.`created`,`a`.`created_by`,`a`.`created_by_alias`,`a`.`modified`,`a`.`modified_by`,`a`.`checked_out`,`a`.`checked_out_time`,`a`.`publish_up`,`a`.`publish_down`,`a`.`images`,`a`.`urls`,`a`.`attribs`,`a`.`version`,`a`.`ordering`,`a`.`metakey`,`a`.`metadesc`,`a`.`access`,`a`.`hits`,`a`.`metadata`,`a`.`featured`,`a`.`language`,`fp`.`featured_up`,`fp`.`featured_down`,`c`.`title` AS `category_title`,`c`.`alias` AS `category_alias`,`c`.`access` AS `category_access`,`c`.`language` AS `category_language`,`fp`.`ordering`,`u`.`name` AS `author`,`parent`.`title` AS `parent_title`,`parent`.`id` AS `parent_id`,`parent`.`path` AS `parent_route`,`parent`.`alias` AS `parent_alias`,`parent`.`language` AS `parent_language`,ROUND(`v`.`rating_sum` / `v`.`rating_count`, 1) AS `rating`,`v`.`rating_count` AS `rating_count`
FROM `incbmx_content` AS `a`
INNER JOIN `incbmx_categories` AS `c` ON `c`.`id` = `a`.`catid`
LEFT JOIN `incbmx_content_frontpage` AS `fp` ON `fp`.`content_id` = `a`.`id`
LEFT JOIN `incbmx_users` AS `u` ON `u`.`id` = `a`.`created_by`
LEFT JOIN `incbmx_categories` AS `parent` ON `parent`.`id` = `c`.`parent_id`
LEFT JOIN `incbmx_content_rating` AS `v` ON `a`.`id` = `v`.`content_id`
WHERE
(
(`a`.`id` = :pk AND `c`.`published` > 0) AND
(`a`.`publish_up` IS NULL OR `a`.`publish_up` <= :publishUp)) AND
(`a`.`publish_down` IS NULL OR `a`.`publish_down` >= :publishDown) AND `a`.`state` IN (:preparedArray1,:preparedArray2)216μs6.12KBParams/components/com_content/src/Model/ArticleModel.php:215CopySELECT `c`.`id`,`c`.`asset_id`,`c`.`access`,`c`.`alias`,`c`.`checked_out`,`c`.`checked_out_time`,`c`.`created_time`,`c`.`created_user_id`,`c`.`description`,`c`.`extension`,`c`.`hits`,`c`.`language`,`c`.`level`,`c`.`lft`,`c`.`metadata`,`c`.`metadesc`,`c`.`metakey`,`c`.`modified_time`,`c`.`note`,`c`.`params`,`c`.`parent_id`,`c`.`path`,`c`.`published`,`c`.`rgt`,`c`.`title`,`c`.`modified_user_id`,`c`.`version`, CASE WHEN CHAR_LENGTH(`c`.`alias`) != 0 THEN CONCAT_WS(':', `c`.`id`, `c`.`alias`) ELSE `c`.`id` END as `slug`
FROM `incbmx_categories` AS `s`
INNER JOIN `incbmx_categories` AS `c` ON (`s`.`lft` <= `c`.`lft` AND `c`.`lft` < `s`.`rgt`) OR (`c`.`lft` < `s`.`lft` AND `s`.`rgt` < `c`.`rgt`)
WHERE (`c`.`extension` = :extension OR `c`.`extension` = 'system') AND `c`.`access` IN (:preparedArray1,:preparedArray2) AND `c`.`published` = 1 AND `s`.`id` = :id
ORDER BY `c`.`lft`196μs3.91KBParams/libraries/src/Categories/Categories.php:375CopySELECT `m`.`tag_id`,`t`.*
FROM `incbmx_contentitem_tag_map` AS `m`
INNER JOIN `incbmx_tags` AS `t` ON `m`.`tag_id` = `t`.`id`
WHERE `m`.`type_alias` = :contentType AND `m`.`content_item_id` = :id AND `t`.`published` = 1 AND `t`.`access` IN (:preparedArray1,:preparedArray2)231μs3.97KBParams/libraries/src/Helper/TagsHelper.php:388CopySELECT `c`.`id`,`c`.`asset_id`,`c`.`access`,`c`.`alias`,`c`.`checked_out`,`c`.`checked_out_time`,`c`.`created_time`,`c`.`created_user_id`,`c`.`description`,`c`.`extension`,`c`.`hits`,`c`.`language`,`c`.`level`,`c`.`lft`,`c`.`metadata`,`c`.`metadesc`,`c`.`metakey`,`c`.`modified_time`,`c`.`note`,`c`.`params`,`c`.`parent_id`,`c`.`path`,`c`.`published`,`c`.`rgt`,`c`.`title`,`c`.`modified_user_id`,`c`.`version`, CASE WHEN CHAR_LENGTH(`c`.`alias`) != 0 THEN CONCAT_WS(':', `c`.`id`, `c`.`alias`) ELSE `c`.`id` END as `slug`
FROM `incbmx_categories` AS `s`
INNER JOIN `incbmx_categories` AS `c` ON (`s`.`lft` <= `c`.`lft` AND `c`.`lft` < `s`.`rgt`) OR (`c`.`lft` < `s`.`lft` AND `s`.`rgt` < `c`.`rgt`)
WHERE (`c`.`extension` = :extension OR `c`.`extension` = 'system') AND `c`.`access` IN (:preparedArray1,:preparedArray2) AND `c`.`published` = 1 AND `s`.`id` = :id
ORDER BY `c`.`lft`175μs3.91KBParams/libraries/src/Categories/Categories.php:375CopySELECT DISTINCT a.id, a.title, a.name, a.checked_out, a.checked_out_time, a.note, a.state, a.access, a.created_time, a.created_user_id, a.ordering, a.language, a.fieldparams, a.params, a.type, a.default_value, a.context, a.group_id, a.label, a.description, a.required, a.only_use_in_subform,l.title AS language_title, l.image AS language_image,uc.name AS editor,ag.title AS access_level,ua.name AS author_name,g.title AS group_title, g.access as group_access, g.state AS group_state, g.note as group_note
FROM incbmx_fields AS a
LEFT JOIN `incbmx_languages` AS l ON l.lang_code = a.language
LEFT JOIN incbmx_users AS uc ON uc.id=a.checked_out
LEFT JOIN incbmx_viewlevels AS ag ON ag.id = a.access
LEFT JOIN incbmx_users AS ua ON ua.id = a.created_user_id
LEFT JOIN incbmx_fields_groups AS g ON g.id = a.group_id
LEFT JOIN `incbmx_fields_categories` AS fc ON fc.field_id = a.id
WHERE
(
(`a`.`context` = :context AND (`fc`.`category_id` IS NULL OR `fc`.`category_id` IN (:preparedArray1,:preparedArray2)) AND `a`.`access` IN (:preparedArray3,:preparedArray4)) AND
(`a`.`group_id` = 0 OR `g`.`access` IN (:preparedArray5,:preparedArray6)) AND `a`.`state` = :state) AND
(`a`.`group_id` = 0 OR `g`.`state` = :gstate) AND `a`.`only_use_in_subform` = :only_use_in_subform
ORDER BY a.ordering ASC390μs4.75KBParams/libraries/src/MVC/Model/BaseDatabaseModel.php:164CopySELECT `c`.`id`,`c`.`asset_id`,`c`.`access`,`c`.`alias`,`c`.`checked_out`,`c`.`checked_out_time`,`c`.`created_time`,`c`.`created_user_id`,`c`.`description`,`c`.`extension`,`c`.`hits`,`c`.`language`,`c`.`level`,`c`.`lft`,`c`.`metadata`,`c`.`metadesc`,`c`.`metakey`,`c`.`modified_time`,`c`.`note`,`c`.`params`,`c`.`parent_id`,`c`.`path`,`c`.`published`,`c`.`rgt`,`c`.`title`,`c`.`modified_user_id`,`c`.`version`, CASE WHEN CHAR_LENGTH(`c`.`alias`) != 0 THEN CONCAT_WS(':', `c`.`id`, `c`.`alias`) ELSE `c`.`id` END as `slug`
FROM `incbmx_categories` AS `s`
INNER JOIN `incbmx_categories` AS `c` ON (`s`.`lft` <= `c`.`lft` AND `c`.`lft` < `s`.`rgt`) OR (`c`.`lft` < `s`.`lft` AND `s`.`rgt` < `c`.`rgt`)
WHERE (`c`.`extension` = :extension OR `c`.`extension` = 'system') AND `c`.`access` IN (:preparedArray1,:preparedArray2) AND `c`.`published` = 1 AND `s`.`id` = :id
ORDER BY `c`.`lft`179μs5.16KBParams/libraries/src/Categories/Categories.php:375CopySELECT `title`
FROM `incbmx_finder_taxonomy`
WHERE `parent_id` = 1 AND `state` = 1 AND `access` IN (1,5)127μs648B/administrator/components/com_finder/src/Indexer/Taxonomy.php:325CopySELECT *
FROM `incbmx_schemaorg`
WHERE `itemId` = :itemId AND `context` = :context65μs1.55KBParams/plugins/system/schemaorg/src/Extension/Schemaorg.php:406CopySELECT `a`.`id`,`a`.`asset_id`,`a`.`title`,`a`.`alias`,`a`.`introtext`,`a`.`fulltext`,`a`.`state`,`a`.`catid`,`a`.`created`,`a`.`created_by`,`a`.`created_by_alias`,`a`.`modified`,`a`.`modified_by`,`a`.`checked_out`,`a`.`checked_out_time`,`a`.`publish_up`,`a`.`publish_down`,`a`.`images`,`a`.`urls`,`a`.`attribs`,`a`.`version`,`a`.`ordering`,`a`.`metakey`,`a`.`metadesc`,`a`.`access`,`a`.`hits`,`a`.`metadata`,`a`.`featured`,`a`.`language`,`fp`.`featured_up`,`fp`.`featured_down`,`c`.`title` AS `category_title`,`c`.`alias` AS `category_alias`,`c`.`access` AS `category_access`,`c`.`language` AS `category_language`,`fp`.`ordering`,`u`.`name` AS `author`,`parent`.`title` AS `parent_title`,`parent`.`id` AS `parent_id`,`parent`.`path` AS `parent_route`,`parent`.`alias` AS `parent_alias`,`parent`.`language` AS `parent_language`,ROUND(`v`.`rating_sum` / `v`.`rating_count`, 1) AS `rating`,`v`.`rating_count` AS `rating_count`
FROM `incbmx_content` AS `a`
INNER JOIN `incbmx_categories` AS `c` ON `c`.`id` = `a`.`catid`
LEFT JOIN `incbmx_content_frontpage` AS `fp` ON `fp`.`content_id` = `a`.`id`
LEFT JOIN `incbmx_users` AS `u` ON `u`.`id` = `a`.`created_by`
LEFT JOIN `incbmx_categories` AS `parent` ON `parent`.`id` = `c`.`parent_id`
LEFT JOIN `incbmx_content_rating` AS `v` ON `a`.`id` = `v`.`content_id`
WHERE
(
(`a`.`id` = :pk AND `c`.`published` > 0) AND
(`a`.`publish_up` IS NULL OR `a`.`publish_up` <= :publishUp)) AND
(`a`.`publish_down` IS NULL OR `a`.`publish_down` >= :publishDown) AND `a`.`state` IN (:preparedArray1,:preparedArray2)170μs6.17KBParams/components/com_content/src/Model/ArticleModel.php:215CopySELECT SUM(CASE WHEN `a`.`next_execution` <= :now THEN 1 ELSE 0 END) AS due_count,SUM(CASE WHEN `a`.`locked` IS NULL THEN 0 ELSE 1 END) AS locked_count
FROM `incbmx_scheduler_tasks` AS `a`
WHERE `a`.`state` = 173μs1.37KBParams/administrator/components/com_scheduler/src/Model/TasksModel.php:517Copy


