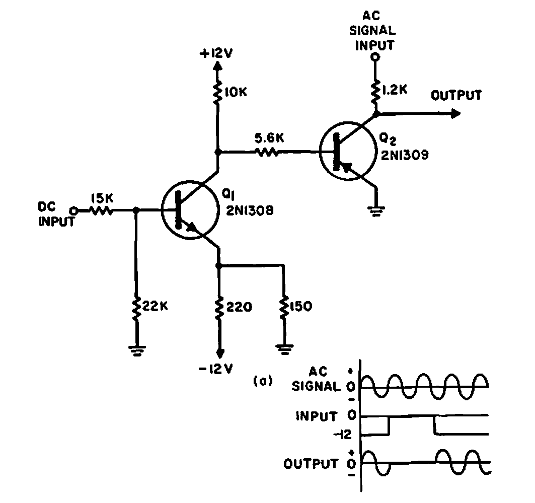
Encontrado en una Electronic Design de 1965, este circuito hace uso de transistores de la época. El circuito se puede implementar con transistores equivalentes modernos. Las formas de las señales se dan al lado del diagrama.
Encontrado en una Electronic Design de 1965, este circuito hace uso de transistores de la época. El circuito se puede implementar con transistores equivalentes modernos. Las formas de las señales se dan al lado del diagrama.