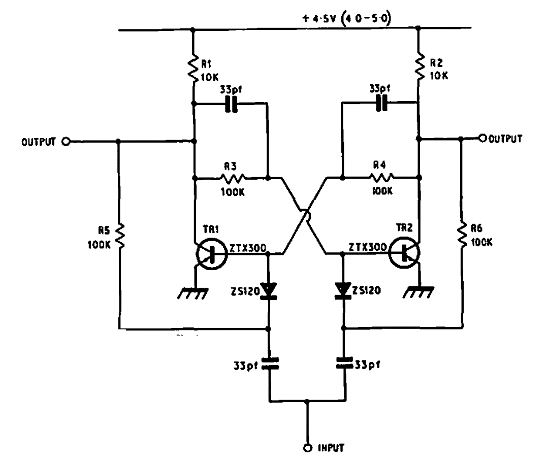
Obtenido en una documentación de Ferranti de 1969, este circuito disipa solo 2.2 mW a 4.5 V. El circuito puede diseñarse en base a transistores equivalentes modernos.
Este circuito fue obtenido en una revista Radio Electronics americana de abril de 1980. La revista ya...
He encontrado este circuito en un artículo de la revista Electronics Today International de julio...
El circuito presentado consiste en un interruptor de tacto biestable hecho en torno a transistores de...