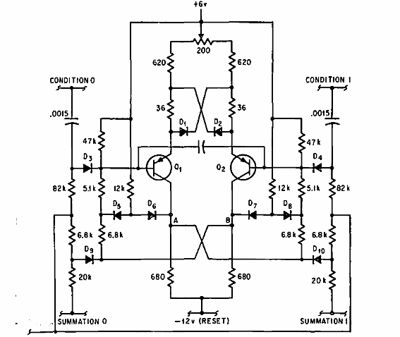
Sugerido por una publicación estadounidense, este circuito tiene 5 condiciones de funcionamiento indicadas en el diagrama. El circuito puede diseñarse en base a transistores equivalentes modernos.

Disparador quinario
Sugerido por una publicación estadounidense, este circuito tiene 5 condiciones de funcionamiento indicadas en el diagrama. El circuito puede diseñarse en base a transistores equivalentes modernos.
