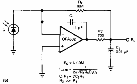
Encontrado en una EDN de los años 90, este circuito puede implementarse con amplificadores operacionales modernos. La fuente de alimentación debe ser simétrica.

Amplificador fotodiodo 2
Encontrado en una EDN de los años 90, este circuito puede implementarse con amplificadores operacionales modernos. La fuente de alimentación debe ser simétrica.
