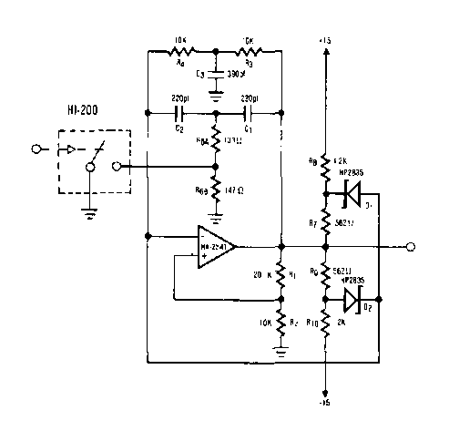
Este circuito de Harris de los años 90 está destinado a grabar viejas memorias EPROM. El circuito utiliza componentes de época.

Grabadora de memória
Este circuito de Harris de los años 90 está destinado a grabar viejas memorias EPROM. El circuito utiliza componentes de época.
