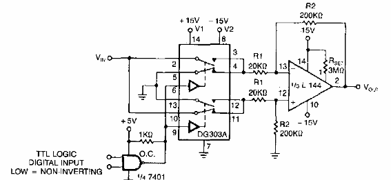
Sugerido por Siliconix en la documentación de los años 90, este circuito admite componentes equivalentes actuales. Se puede usar como un escudo capaz de invertir la polaridad de la señal amplificada.

Amplificador con inversión de polaridad
Sugerido por Siliconix en la documentación de los años 90, este circuito admite componentes equivalentes actuales. Se puede usar como un escudo capaz de invertir la polaridad de la señal amplificada.
