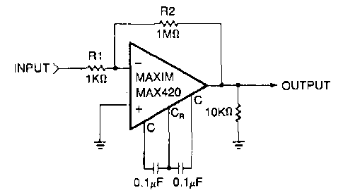
Este amplificador se encontró en una documentación de Maxim de los años 90. El circuito es de tipo inversor con una ganancia de 1,000 y debe usar una fuente de alimentación simétrica.

Amplificador de ganancia 1000
Este amplificador se encontró en una documentación de Maxim de los años 90. El circuito es de tipo inversor con una ganancia de 1,000 y debe usar una fuente de alimentación simétrica.
