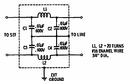
Encontrado en una publicación estadounidense de 1968, este circuito puede operar en cualquier red. El grosor del cable de las bobinas depende de la corriente de carga.

Filtro de interferencia por la red
Encontrado en una publicación estadounidense de 1968, este circuito puede operar en cualquier red. El grosor del cable de las bobinas depende de la corriente de carga.
