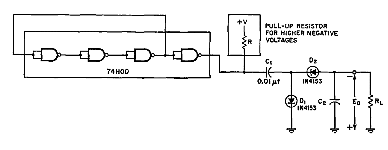
Este circuito proporciona una tensión negativa para la polarización del circuito. La corriente es muy baja. La tensión obtenida es de -2.4 V.
La simple luz de tiempo tiene muchas de otras Aplicaciones. Cuando se toca en S1, un interruptor de la...
Un reóstato es un dispositivo que permite controlar la intensidad de la corriente que circula en...
El circuito que se muestra a continuación muestra una aplicación lineal del FET de potencia, donde...