Este circuito se encontró en la documentación de Philips de 1967. El circuito está destinado a pantallas de períodos que funcionan con tubos de alta tensión. Tenga en cuenta la alta tensión de alimentación.

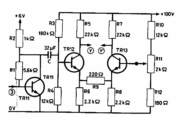
Amplificador de display numérico
Este circuito se encontró en la documentación de Philips de 1967. El circuito está destinado a pantallas de períodos que funcionan con tubos de alta tensión. Tenga en cuenta la alta tensión de alimentación.
