Este filtro se encontró en una Radio Electrónica de los 90. Con los componentes utilizados, la frecuencia de corte es de 1 kHz. La alimentación del operacional que puede ser de cualquier tipo debe ser simétrica.

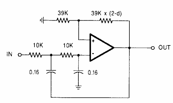
Filtro de paso bajo Sallen Key
Este filtro se encontró en una Radio Electrónica de los 90. Con los componentes utilizados, la frecuencia de corte es de 1 kHz. La alimentación del operacional que puede ser de cualquier tipo debe ser simétrica.
