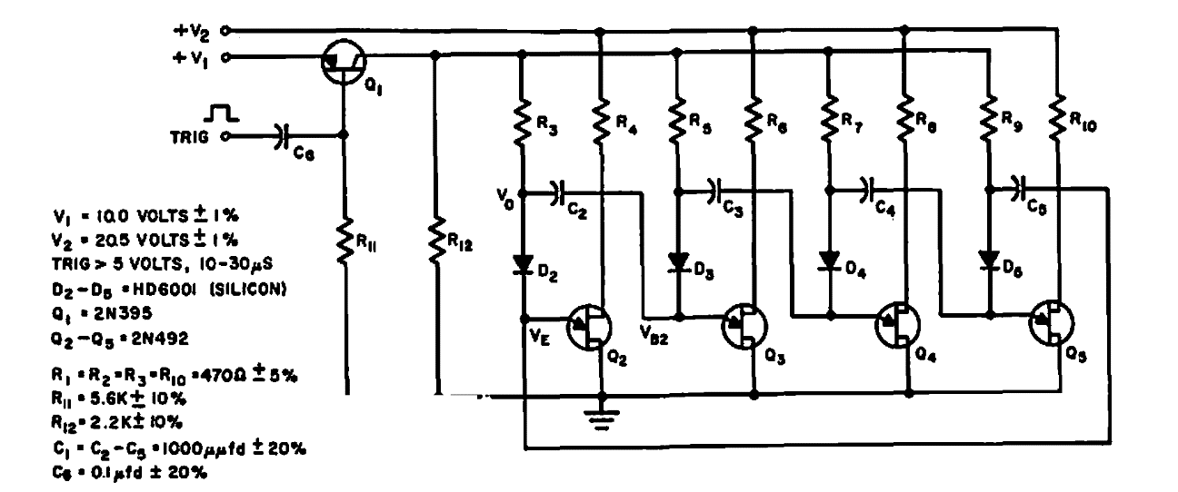
Encontrado en una documentación de General Electric de 1967, este circuito utiliza transistores unijuntura que pueden ser equivalentes a los indicados. El número de pasos puede modificarse.

 

Contador de anillo unijuntura
Contador de anillo unijuntura | Haga click en la imagen para ampliar |