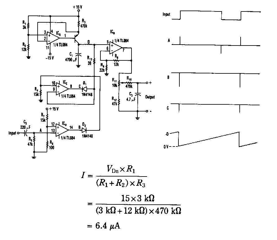
Encontramos este circuito en una Electronic Design de los años 90. El circuito integrado utilizado admite equivalentes y al lado del diagrama se dan las fórmulas para el cálculo de los componentes utilizados.

 

Convertidor período a tensión
Convertidor período a tensión | Haga click en la imagen para ampliar |