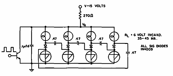
Encontrado en la documentación de General Electric de 1966, este circuito utiliza interruptores de silicio unilateral (SUS) que son componentes poco comunes en la actualidad.

Contador en anillo con SUS
Encontrado en la documentación de General Electric de 1966, este circuito utiliza interruptores de silicio unilateral (SUS) que son componentes poco comunes en la actualidad.
