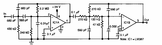
Encontrado en una Radio Electronics de los 80, este circuito de dos secciones está diseñado para pasar el rango de frecuencia de la voz humana.

Filtro de voz de 300 a 3 000 Hz
Encontrado en una Radio Electronics de los 80, este circuito de dos secciones está diseñado para pasar el rango de frecuencia de la voz humana.
