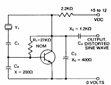
Encontrado en una antigua documentación estadounidense, este circuito tiene la configuración básica de un oscilador de cristal. El capacitor debe tener una impedancia X de 200 ohms a la frecuencia del cristal y debe calcularse para esto.

Oscilador de 150 kHz a 30 MHz



