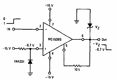
Este circuito se obtuvo de la documentación de Motorola de 1969. La configuración se aplica a otros amplificadores operacionales, incluidos los de tensiones de alimentación más bajas. El zener determina la señal de salida.

Comparador con un operacional



