Encontramos este circuito en una documentación de Philips de 1965. El circuito usa un sensor LDR común y los transistores son de uso general. TR2 puede ser un BD135.

Luz de estacionamiento
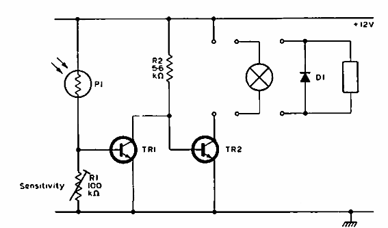
Encontramos este circuito en una documentación de Philips de 1965. El circuito usa un sensor LDR común y los transistores son de uso general. TR2 puede ser un BD135.
