Este circuito es de un manual de Motorola de 1965. Se puede implementar con un 2N2646 común y un SCR de la serie 106 sin problemas. El transformador de pulso tiene una relación de giro de 1: 1.

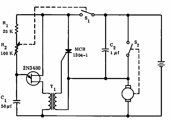
Intervalador de limpiaparabrisas
Este circuito es de un manual de Motorola de 1965. Se puede implementar con un 2N2646 común y un SCR de la serie 106 sin problemas. El transformador de pulso tiene una relación de giro de 1: 1.
