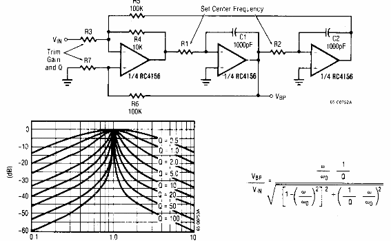
Este filtro se encontró en la documentación antigua de Raytheon. El circuito utiliza un operacional de la época, pero la configuración se puede aplicar a la operacionales modernos. Junto al diagrama, la curva de comportamiento y la fórmula para el cálculo de componentes.

Filtro de paso de banda



