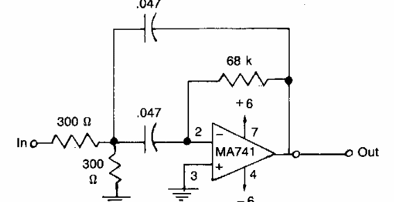
Este circuito es de una antigua documentación estadounidense. El circuito integrado es 741 y la fuente de alimentación debe ser simétrica. La banda de paso está centrada a 1 kHz.

Filtro activo pasa banda
Este circuito es de una antigua documentación estadounidense. El circuito integrado es 741 y la fuente de alimentación debe ser simétrica. La banda de paso está centrada a 1 kHz.
