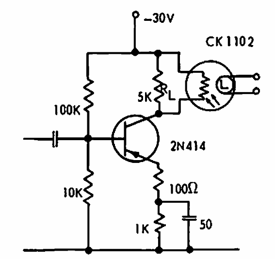
Raystor es un componente del Raytheon de la década de 1960. Consiste en un acoplador térmico que le permite utilizar el circuito como control de CC para las señales como se muestra.

Control de CC con un Raystor
Raystor es un componente del Raytheon de la década de 1960. Consiste en un acoplador térmico que le permite utilizar el circuito como control de CC para las señales como se muestra.
