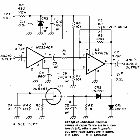
Este circuito fue encontrado en una publicación estadounidense llamada Ham Radio. El circuito utiliza componentes de corriente fija ya que el FET puede ser de cualquier tipo. Tenga en cuenta la tensión de alimentación no simétrica de 24 V.

Control automático de ganancia de audio



