En nuestro Curso de Electrónica - Electrónica Analógica - estudiamos la naturaleza del sonido. Hemos visto de qué modo se producen las vibraciones audibles, las inaudibles también y sus principales propiedades. Nuestro montaje electrónico relacionado con el tema del libro es un medidor de intensidad sonora o sonómetro experimental. Con este aparato podemos comparar la intensidad de sonidos como, por ejemplo, un grito, una explosión o el sonido de un amplificador.
Lo que proponemos es un aparato que nos permite comparar las intensidades de sonidos que inciden en un micrófono usado como transductor. Podemos tener aplicaciones experimentales y recreativas pero también podemos tener aplicaciones, serias.
Una de las aplicaciones que podemos sugerir viene de la necesidad de determinar en un auditorio cuál es el caluroso que se presentó mejor a partir del sonido de los aplausos y abucheos, además de los gritos, por supuesto.
Naturalmente, si la disparidad de nivel de los candidatos es grande, "de oído" podremos hacer la evaluación, pero en el caso de que haya una proximidad muy grande de las intensidades, sólo un recurso electrónico podría ayudar en la decisión.
La medida de la intensidad de los aplausos por nuestro instrumento puede ser la solución para dudar.
Otra aplicación interesante es la ubicación de las reflexiones de sonido causadas por objetos en su sala, o en la localización de fuentes de ruido en un coche o para comprobar que todos los altavoces de un sistema de sonido están con el mismo nivel de reproducción. (figura 1)

En fin, si el "negocio" del lector es medir ruido (a muchos les gusta hacerlo), ciertamente este instrumento será de gran utilidad.
Como funciona
Para captar los sonidos, operando como micrófono, usamos un altavoz y un transformador.
El transformador garantiza una mayor impedancia para el sistema, de acuerdo con las características del paso siguiente.
La señal se aplica a la entrada de un amplificador operacional de alta ganancia del tipo 741. En un circuito, sin retroalimentación, este amplificador tiene una ganancia del orden de 100.000 veces, lo que garantiza una excelente sensibilidad para el medidor.
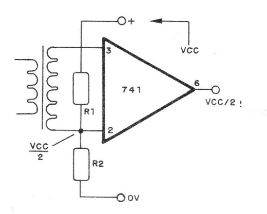
El transformador que acopla el altavoz utilizado como micrófono cortocircuite las entradas del amplificador operacional de modo que, en ausencia de señal, debe haber en la salida una tensión equivalente a la mitad de la fuente, es decir, cero volts en relación al punto de en la unión de R1 con R2, como muestra la figura 2.

En la práctica pueden ocurrir pequeñas desviaciones de modo que, en reposo, la tensión que aparece en la salida puede ser un poco mayor o menor que la de referencia.
Si esta desviación es excesiva, una compensación externa se puede hacer con la conexión de un trimpot entre el pasador 1 y el perno 5 del integrado. Este trimpot será de 10 k con el cursor conectado al negativo de la alimentación.
El instrumento sugerido es un VU-meter común de 200, uA que se puede lograr con mucha facilidad en las casas especializadas.
Los componentes
En la figura 3 tenemos la sugerencia de caja cuyas dimensiones dependen del altavoz utilizado como micrófono.

El circuito integrado es el 741 en envoltorio DIL de 8 patillas, y el VU puede ser de cualquier tamaño o tipo para 200 / uA.
La resistencia R3 puede tener su valor reducido si se utiliza un instrumento de menor sensibilidad, 1 mA por ejemplo.
Para el potenciómetro de control de sensibilidad el valor no es crítico, pudiendo ser usadas unidades de 1 k, 2k2 o incluso 4k7.
El capacitor C1 tiene su valor en la dependencia del rango de frecuencias en que se desea mayor respuesta del instrumento. Un valor mayor (hasta 100 nF aumenta la sensibilidad a los graves = reduce los agudos).
La retirada de este capacitor, por las características del altavoz, hace que la respuesta a los agudos sea mayor.
Completamos con el transformador que puede ser del tipo usado con radios transistorizados con impedancia de primario entre 500 ohms y 2 k y secundario de 8 ohms.
Montaje
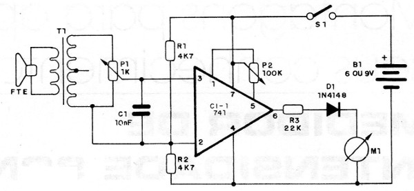
El circuito completo se muestra en la figura 4.

La placa de circuito impreso se sugiere en la figura 5.

Para el integrado utilice un zócalo, pues eso evita el calentamiento en la soldadura y facilita el cambio en caso de problemas.
Los resistores pueden ser de 1/8 o ¼ W, según la disponibilidad de cada uno. La tolerancia es de 5, 10 o 20%.
Utilice el soporte o el conector apropiado para la fuente observando la polaridad.
El instrumento M1 tiene polaridad correcta. Si no hay marcado, haga experimentos. Si el puntero tiende a deflexionar hacia la izquierda, cuando capta sonidos, invierte su conexión.
Prueba y uso
Coloque las pilas en el soporte o conecte la batería. Accione el interruptor general S1.
El instrumento debe deshacer hasta la mitad de la escala aproximadamente. Si la deflexión es más allá del final de la escala, actúe sobre el trimpot. Para obtener una menor ganancia y estabilidad de funcionamiento, una resistencia de 1M a 2M2 puede ser conectada entre el pasador 2 y el pasador 6 del integrado.
Abra la sensibilidad del micrófono girando el potenciómetro P1. Bata con los dedos en el altavoz. El instrumento debe acusar estos golpes con saltos de la aguja.
Para utilizar el aparato basta con apuntar el altavoz utilizado como micrófono para la fuente de sonido y verificar la deflexión de la aguja.
En algunos casos, para obtener mayor estabilidad del circuito en la medida de sonidos de corta duración o de variaciones rápidas, se puede utilizar un circuito adicional mostrado en la figura 6, el cual incluye un diodo y un capacitor.

Comprobado el funcionamiento es sólo utilizar el aparato.
Lista de materiales
Cl-1 - 741 - amplificador operativo
M1 - VU-meter de 200 uA (ver texto)
D1 - 1N4148 - diodo de silicio de uso general
T1 - Transformador de salida para transistores con primario de 500 a 2000
ohmios y secundario de 8 ohmios.
C1 - 10 nF - capacitor de cerámica o de poliéster
P1 - 1 k - potenciómetro (con llave)
P2 - 100 k - trimpot
R1, R2 - 4k7 - resistores (amarillo, violeta, rojo)
R3 - 22 k - resistencia (rojo, rojo, naranja)
FTE - altavoz de 8 ohms pequeño
B1 - 6 o 9V - 4 pilas o batería
Varios: caja para montaje, placa de circuito impreso, conector para batería o soporte para pilas, botón para el potenciómetro, hilos, soldadura, etc.



