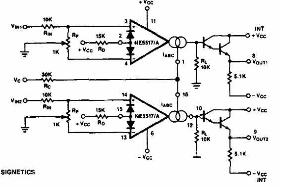
Este amplificador con control de ganancia se obtuvo de una documentación de Signetics de la década de 1980. Los transistores son de potencia y los amplificadores operacionales son poco comunes hoy en día. La tensión de alimentación no está indicada.

Amplificador estéreo



