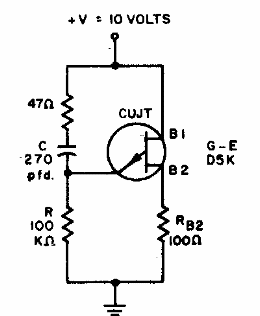
Este oscilador de 50 kHz utiliza un CTUJ, transistor unijuntura complementario. El circuito es de los años 70 y el transistor es un componente raro hoy en día.

Oscilador con CUJT
Este oscilador de 50 kHz utiliza un CTUJ, transistor unijuntura complementario. El circuito es de los años 70 y el transistor es un componente raro hoy en día.
