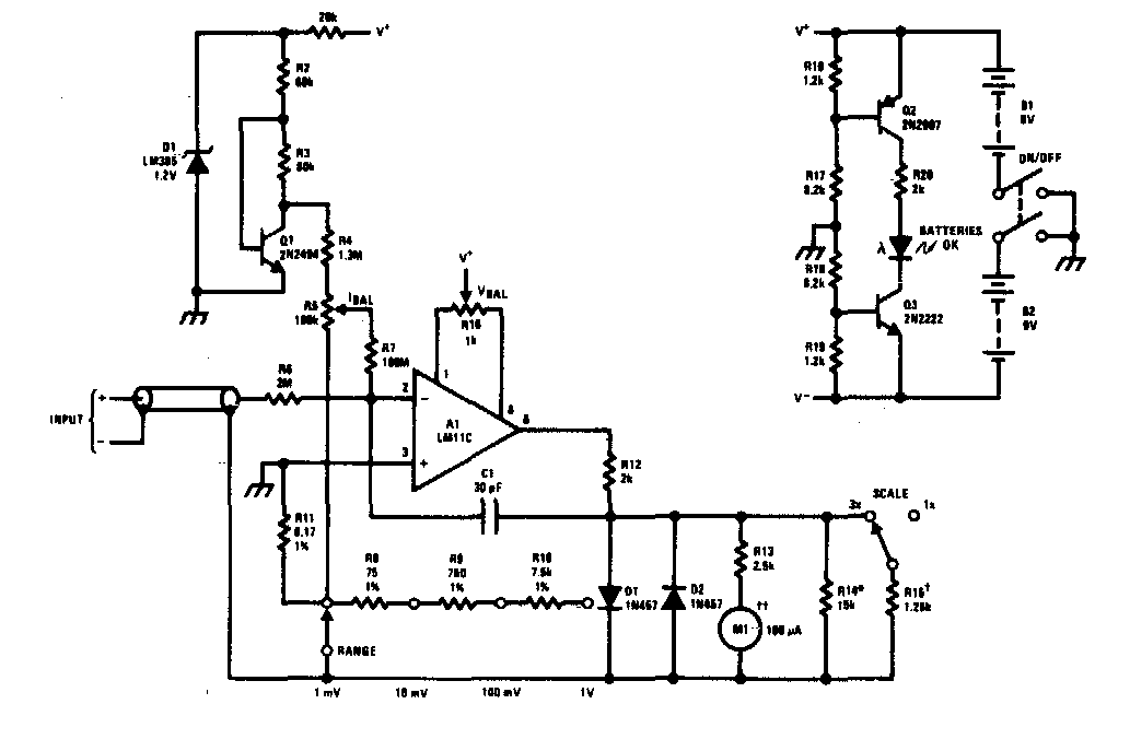
Encontramos este circuito en una vieja documentación estadounidense. Los componentes son de la época y pueden presentar dificultades para obtenerlos. El circuito puede diseñarse en base a componentes modernos.

 

Milivoltímetro de alta impedancia
Milivoltímetro de alta impedancia | Haga click en la imagen para ampliar |