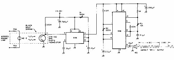
Este circuito produce un tono de llamada intermitente que se activa directamente por la línea telefónica. Sin embargo, con el uso de acopladores ópticos LED, puede usarse como un shield. El circuito es de una antigua documentación estadounidense.

Zumbador telefónico



