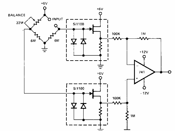
Este circuito fue sugerido por Siliconix en una publicación de la década de 1980. El circuito utiliza componentes de la época, excepto el operacional. La ganancia está entre 10 y 20 y tiene un consumo muy bajo del orden de 250 uW.

Circuito de puente con fuente común



