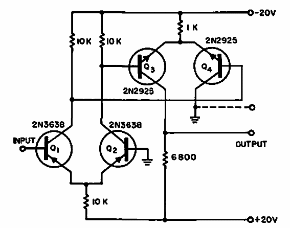
Este circuito de una antigua documentación estadounidense (1965) se puede aplicar a cualquier transistor.

Amplificador con salida diferencial
Este circuito de una antigua documentación estadounidense (1965) se puede aplicar a cualquier transistor.
