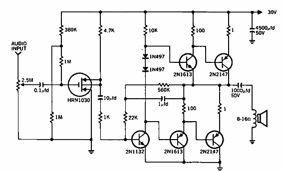
Hughes sugiere este circuito en una documentación de 1968. El circuito utiliza transistores de período que pueden reemplazarse por equivalentes. MOSFET es el componente crítico del circuito.

Amplificador de 5 W
Hughes sugiere este circuito en una documentación de 1968. El circuito utiliza transistores de período que pueden reemplazarse por equivalentes. MOSFET es el componente crítico del circuito.
