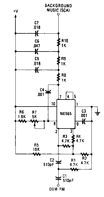
Este circuito de Radio Electronics, en una edición de los 80, decodifica la señal de 67 kHz utilizada en ese momento para activar SCA en sistemas de sonido ambiente utilizando transmisores de FM.

Decodificador SCA
Este circuito de Radio Electronics, en una edición de los 80, decodifica la señal de 67 kHz utilizada en ese momento para activar SCA en sistemas de sonido ambiente utilizando transmisores de FM.
