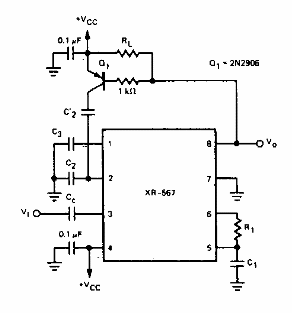
Este circuito es de una documentación de la década de 1980 que presenta dos constantes de tiempo para la decodificación de sonido. El circuito integrado no es común hoy en día.

Decodificador de tono constante de dos tiempos
Este circuito es de una documentación de la década de 1980 que presenta dos constantes de tiempo para la decodificación de sonido. El circuito integrado no es común hoy en día.
