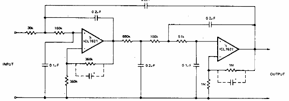
Este filtro de paso bajo se encontró en la documentación de Intersil de la década de 1980. El circuito utiliza operacionales actuales, pero la configuración se aplica a otros operacionales. La fuente debe ser simétrica.

Filtro de Chebyshev de quinto orden



