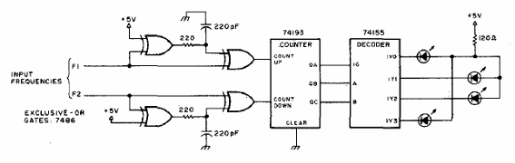
Este circuito TTL para señales digitales de hasta unas pocas docenas de megahercios se encontró en la documentación antigua, pero hoy en día puede ensamblarse fácilmente e incluso usarse como un escudo para microcontroladores. La alimentación se debe suministrar con una tensión de 5 V.

Indicador de frecuencia de batido



