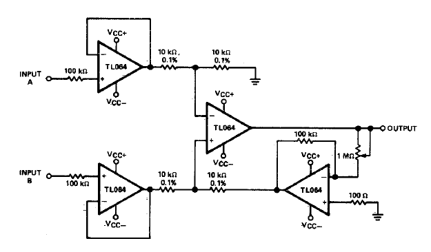
Encontramos este circuito con una resistencia de entrada muy alta en una documentación antigua. El circuito sigue siendo actual por lo operacional que utiliza. Este es un tipo cuádruple todavía común que normalmente debe ser alimentado por una fuente simétrica de 3 a 12 V.

Amplificador de instrumentación con FET



