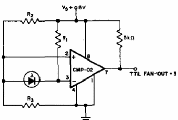
Este circuito es de los años 80 y se puede implementar con componentes equivalentes modernos. R1 es 2M5, R2 y 5M R3. El fotodiodo es de cualquier tipo y el circuito puede usarse como un shield. La alimentación debe estar a 5 V.

Detector de nivel óptico de precisión



