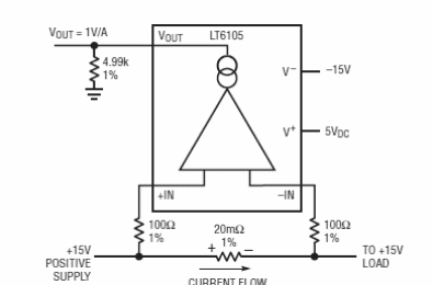
Este circuito monitorea la corriente en la línea negativa. El circuito es de un manual de aplicación de Linear Technology de 2005. El circuito es para líneas de 15 V. El componente utilizado es el LT6105.

Monitor de corriente de línea negativa
Este circuito monitorea la corriente en la línea negativa. El circuito es de un manual de aplicación de Linear Technology de 2005. El circuito es para líneas de 15 V. El componente utilizado es el LT6105.
